948 496 724

En cualquier instalación eléctrica, desde una vivienda hasta una gran industria, es fundamental contar con planos claros que permitan entender cómo está distribuida la electricidad. El esquema unifilar es uno de los más utilizados por ingenieros, técnicos y electricistas para representar de forma simple y precisa un sistema eléctrico.

En esta guía te explico qué es un esquema unifilar, para qué sirve, cómo se interpreta y qué elementos lo componen, con ejemplos prácticos y consejos para crear el tuyo siguiendo la normativa.

Definición sencilla de un esquema unifilar

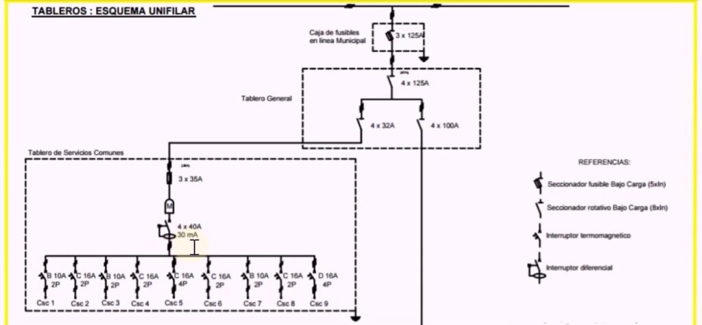
Un esquema unifilar es un diagrama que representa de forma simplificada el recorrido de la energía eléctrica y la conexión entre los diferentes elementos de una instalación, utilizando una sola línea por cada circuito.

A diferencia de otros diagramas eléctricos más complejos, su objetivo es mostrar la estructura general de la instalación, facilitando su comprensión tanto en la fase de diseño como en el mantenimiento.

Explicación técnica para entenderlo mejor

En términos técnicos, el esquema unifilar utiliza símbolos normalizados para representar dispositivos como interruptores, magnetotérmicos, diferenciales, lámparas, enchufes o cuadros eléctricos, conectados por líneas que indican el flujo de energía y la interconexión entre ellos.

Diferencias entre unifilar, multifilar y funcional

  • Unifilar: Usa una sola línea por circuito, simplificando la lectura.

  • Multifilar: Representa cada conductor por separado, mostrando más detalle.

  • Funcional: Centrado en el funcionamiento del sistema, no en la instalación física.

¿Para qué se utiliza un esquema unifilar?

El esquema unifilar es una herramienta esencial en:

Aplicaciones prácticas en proyectos eléctricos

  • Diseño de nuevas instalaciones eléctricas en viviendas, comercios o industrias.

  • Reformas y ampliaciones, para integrar nuevos circuitos sin errores.

  • Documentación técnica obligatoria en proyectos de obra nueva.

Ventajas de su uso en diseño y mantenimiento

  • Reduce errores de interpretación.

  • Facilita las inspecciones y certificaciones.

  • Permite planificar mantenimientos preventivos y correctivos.

Elementos que componen un diagrama unifilar

Un esquema unifilar debe incluir:

  • Cuadro eléctrico con sus protecciones (magnetotérmicos, diferenciales).

  • Circuitos y su identificación.

  • Puntos de consumo (enchufes, iluminación, equipos especiales).

  • Símbolos normalizados según normativa.

Cómo interpretar un esquema unifilar paso a paso

Símbolos eléctricos más comunes

Cada elemento se representa con un símbolo específico normalizado (UNE-EN 60617 en España). Ejemplos:

  • Un círculo con una cruz → punto de luz.

  • Un rectángulo → enchufe.

  • Símbolos con letras → interruptores o protecciones.

Lectura básica para no técnicos

  1. Identifica el cuadro eléctrico.

  2. Sigue la línea que representa el circuito.

  3. Localiza los dispositivos y su función.

  4. Comprueba cómo se distribuye la energía hasta cada punto.

Ejemplos reales de esquemas unifilares

En proyectos reales, un esquema unifilar puede incluir desde un circuito básico de iluminación de un salón hasta el diagrama de un cuadro general de baja tensión en una nave industrial.

Programas y herramientas para crear un esquema unifilar

Software gratuito vs. profesional

  • Gratis: QElectroTech, TinyCAD, Diagram Designer.

  • Profesional: AutoCAD Electrical, EPLAN, SEE Electrical.

Recomendaciones para principiantes

  • Empezar con herramientas simples y plantillas prediseñadas.

  • Familiarizarse con los símbolos eléctricos antes de diseñar.

Normativas y estándares que regulan su elaboración en España

En España, los esquemas unifilares deben cumplir el Reglamento Electrotécnico para Baja Tensión (REBT) y seguir la normalización de símbolos de la UNE-EN 60617 para garantizar que cualquier profesional pueda interpretarlos.

Conclusión: Por qué es esencial dominar el uso del esquema unifilar

El esquema unifilar es mucho más que un simple dibujo: es una herramienta clave para la seguridad, eficiencia y mantenimiento de cualquier instalación eléctrica. Aprender a leerlo y crearlo correctamente es fundamental para evitar errores, cumplir la normativa y garantizar el buen funcionamiento.

Este sitio web utiliza cookies para que usted tenga la mejor experiencia de usuario. Si continúa navegando está dando su consentimiento para la aceptación de las mencionadas cookies y la aceptación de nuestra política de cookies, pinche el enlace para mayor información.plugin cookies

ACEPTAR
Aviso de cookies